Cloning Ampeg SS-150 / SS-70 (similar to the VH140)

DSV

Member
Hello everyone,

A friend recently reached out and asked if I could clone the Ampeg SS-150 preamp for him.
I found the schematic of the SS-70 (the combo version) which sports the exact same preamp as the SS-150, just a lower wattage power amp.

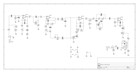
pic1
1761173590756.png

The preamp has two channels and jfets to switch between the channels. There is also a reverb which I would like to completely omit.
Basically I would just like to clone channel A, without the reverb.

In my design the bipolar 15V voltage is provided by a tracco 2-0923.
Since I am no electronics expert , my first challenge was how to remove jfets (and perhaps components around them) . I cross-checked with the AION FX "VH Drive channel" which is a clone of the Ampef VH140, as there are some similarities between the two circuits. Second challenge is skipping the reverb part of the circuit.

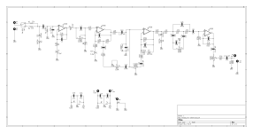
Pic2
Screenshot 2025-10-23 002318.png
Comparing between factory schematics of the VH140 and the AION schematic I would need to remove the marked components. C35+C36 become 1u.
FX send (section around IC5B) is connected to FX return (section around IC6A) , then AION adds a 2,2 uf cap and a 100k resistor to finish the circuit.
pic3
1761173520856.png

Ok, after making similar adjustments my circuit would be like this.

1761179591001.png

Which components I took away in my circuit (pic1 factory schematic numbering Q1, C6, R9, R7, Q2, R13, R14, C9, Q3, R22, R95 C18+C19 become 1uF )
Any obvious mistakes / suggestions ? I have left the 100k (R7 in my circuit) as is. Should I perhaps connect c5 directly to ground and omit it ?
I have not had good experience with breadboarding in the past. And considering this is a hi gain circuit I'd like to avoid breadboarding all together.

I will probably design a PCB directly.
 

Attachments

  • 1761173122904.png
    1761173122904.png
    886.9 KB · Views: 22
Using original schem refdes:
- You don't really need R26, R27 and C23.
- I would keep R14 as it forms a voltage divider with R12.
- You could probably skip the last opamp and take the signal out after the vol pot. That last stage is just mixing channels and its corner freq is practically irrelevant, plus it inverts the signal.

Other than that looks good at a glance, this oughta be a nice project for all them Jimmy Bower fans, so keep us posted!
 
Thanks for the encouragement fellas. I can follow your suggestions @Blackboarcult and give it a try .
I am just wondering R12 is 22 k and R14 is 270k. Do they really form a voltage divider ? (honest non-sarcastic question)
 
Any resistor in series with the signal followed by another resistor to ground forms a voltage divider, however small. In this particular case you cut roughly 10% of the signal that comes out of IC2B, in addition to providing a slightly different taper to the left half of the gain pot, which also dumps to ground. Might be minimal, and hey, you can try it without, worst case scenario you have more available gain, but it is still a part of the original circuit, which is something to consider if you want to build an accurate clone ;)
 
Thanks for the reply !

I have updated the schematic according to your suggestions , tried to make it a bit more compact , added decoupling caps on the ICs and did some other small corrections. Now to design the PCB.

1761250553770.png
 
Fast forward 3 months later ...
I have designed a PCB for this circuit, got it fabricated and built the pedal. As @Blackboarcult mentioned Vol2 can go to signal out.
I have only heard the actual circuit from youtube videos so cannot really compare but I would say it sounds pretty damn fine with the gear I have at hand (I am not a guitar player). Really good solid state amp sound.

I gave the PCB some hillarious greek pop culture references.
 

Attachments

  • front.jpg
    front.jpg
    293.1 KB · Views: 13
  • back.jpg
    back.jpg
    471.8 KB · Views: 13
Cool project! How about a demo? :cool: The SS-140C has been on my to-do list for a couple of months now, but unlike you I'm a lazy slob so I got nothing so far except for LTSpice simulations.

I don't think the high/low input switch is correct in your pedal schematic. The switching jacks in the original schematic are wired so it's either two 22K in parallel for the high input, or 22K in series and 22K going to ground for a 6 dB cut on the low input.
 
Having just started learning Discordance Axis tunes yesterday, and a lover of them and Assuck, I am absolutely interested. This is awesome.
 
  • This ROCKS!
Reactions: DSV
Back
Top