BuddytheReow
Moderator
- Build Rating
- 5.00 star(s)
Update: Final artwork in post #4.
This circuit is definitely a sleeper around here since there aren't a lot of build reports on it. Or I just don't know how to use the search function on here
This is the Disarray Distortion (Suhr Riot). If you want a super high gain, gnarly Marshall tone then look no further. This one will not disappoint. In fact, there might even be TOO much gain on tap since I haven't enjoyed it with with a dimed gain setting. Then again, I play with hot humbuckers and this might not play nicely with each other. Not that the signal farts out like on some fuzz circuit, but it definitely can get into fuzz territory with my rig. I've realized over the years that I just don't like fuzz.
3 knobs and 1 switch: GAIN, VOLUME, TONE, and a VOICE switch. The switch is a bit more subtle that I'd like it to be, but I can hear a difference. I've probably put in about 2 hours with this circuit on my board (boxed and unboxed) and this is definitely a keeper. One downside is that if volume and gain are dimed you can get some oscillation. But, I feel that that much gain is not needed here (and I loooove the high gain circuits). I really enjoyed putting this in front of a Rat with gain controls dialed back. Maybe I'll think differently next time I play, since a setup sounds great in the moment and then like crap the next time.
Great crunch tones through borderline fuzz.
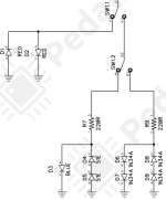
As for the build itself, well this took a long time coming. I bought the board years ago and never got around to it until this past summer where I populated half the board and put it down. Summer activities, house projects, practice time, etc. You know.....life. Anyways, most of the parts I could get via Tayda and I had most of them on hand. I had to pull the trigger on a SBP order for the switches, a specific resistor (1.1K), and the opamps. Those weird diodes that it calls for (51E's)? They make no difference as per Chuck's Analysis so I just threw in 4148s and it works just fine.
Last week I decided to work on a project just for me, so I finished populating the board and played in my test box for a session and I knew I needed to box this up. That was late yesterday afternoon and early this morning. I decided to take my time on the final wiring/assembly and thew in a relay bypass because why not. I'm actually kind of proud of the job I did, but I'm sure all you haters out there will find issues. Progress, not perfection.
Temporary knobs and a bare enclosure for now until I decide on enclosure art. Would definitely recommend this build!!
This circuit is definitely a sleeper around here since there aren't a lot of build reports on it. Or I just don't know how to use the search function on here
This is the Disarray Distortion (Suhr Riot). If you want a super high gain, gnarly Marshall tone then look no further. This one will not disappoint. In fact, there might even be TOO much gain on tap since I haven't enjoyed it with with a dimed gain setting. Then again, I play with hot humbuckers and this might not play nicely with each other. Not that the signal farts out like on some fuzz circuit, but it definitely can get into fuzz territory with my rig. I've realized over the years that I just don't like fuzz.
3 knobs and 1 switch: GAIN, VOLUME, TONE, and a VOICE switch. The switch is a bit more subtle that I'd like it to be, but I can hear a difference. I've probably put in about 2 hours with this circuit on my board (boxed and unboxed) and this is definitely a keeper. One downside is that if volume and gain are dimed you can get some oscillation. But, I feel that that much gain is not needed here (and I loooove the high gain circuits). I really enjoyed putting this in front of a Rat with gain controls dialed back. Maybe I'll think differently next time I play, since a setup sounds great in the moment and then like crap the next time.
Great crunch tones through borderline fuzz.
As for the build itself, well this took a long time coming. I bought the board years ago and never got around to it until this past summer where I populated half the board and put it down. Summer activities, house projects, practice time, etc. You know.....life. Anyways, most of the parts I could get via Tayda and I had most of them on hand. I had to pull the trigger on a SBP order for the switches, a specific resistor (1.1K), and the opamps. Those weird diodes that it calls for (51E's)? They make no difference as per Chuck's Analysis so I just threw in 4148s and it works just fine.
Last week I decided to work on a project just for me, so I finished populating the board and played in my test box for a session and I knew I needed to box this up. That was late yesterday afternoon and early this morning. I decided to take my time on the final wiring/assembly and thew in a relay bypass because why not. I'm actually kind of proud of the job I did, but I'm sure all you haters out there will find issues. Progress, not perfection.
Temporary knobs and a bare enclosure for now until I decide on enclosure art. Would definitely recommend this build!!
Last edited: