Looking for simple compressor or limiter schematic

geso

New member
I need to build a compressor or limiter that I can use to regulate the signal in my effect chain before routing the signal to low headroom effects. The range to squeeze is not wide, would be fairly easy to set it only for a few outstanding peaks. I have a studio compressor like pedal, but it does not respect the threshold, and it has no dedicated attack release knob only a summarized know.

Do you know any schematic that I could use and is not very difficult to build? Even ones with fixed values for the parameters could be fine. The range to limit is very similar on the pedals where I needed the compressor or limiter. Maybe the only thing to leave adjustable would be the attack and release, but mainly the release. That would be the most crucial to be able to adjust it to the tempo of what I play. The attack, well useful if adjustable, most most of the time I need prompt, fast attack, so the essence is to set it to avoid outstanding transients, and that's it, maybe I will never touch it afterwards.

If the schematic is for stripboard, that would be the best, but no problem if normal schematic for normal PCB.
 
How sustained are these transients? If you need an attack time of essentially zero then you are probably better off using a soft clipper. What kind of FX are you needing to limit the input to? There's no such thing as a free lunch when it comes to signal processing so it helps to have as many details as possible.
 
How sustained are these transients? If you need an attack time of essentially zero then you are probably better off using a soft clipper. What kind of FX are you needing to limit the input to? There's no such thing as a free lunch when it comes to signal processing so it helps to have as many details as possible.

For some reason, all problematic devices (either compressor or chorus) seems to have problem with the same range on my guitar. This makes me think that either the specs of the transistor or some other parts are similar in them. I mean in the ones that have this headroom problem. The swap to 12v PSU doesn't really solve it, either not enough and the other problem with adjusting the distance of peaks of the signal from the headroom limit is that it changes the sound and quality of the effect. What I noticed: the closer the peaks to the headroom limit, the better the effect is. But due to outstanding peaks on some frets it is not possible without distortion.

To check how much the gain of the guitar signal raises after the 20th fret on my guitar, you can check this screen shot, where you can see the gain difference when I am picking an interval on the open strings and at the 24th fret with the same force (the sample sound file of which the photo was taken is also attached):

BMI neck.JPG


The difference between L and H needs to be reduced.

How long the sustain is on individual transients: the compressor or limiter should be able to handle almost all notes on the fretboard between frets 20-24, more precisely from F4-E6, that is 349Hz to 1318Hz. And the tempo of adjacent notes is fast, mostly 1008 BPM (song tempo 126 BPM), so the release should be able to handle that.

I don't mind if it is a compressor, limiter or soft clipper, but the solution has be suitabe to be adpated to pedal form and should not distort the notes in a way that the listener can notice.

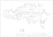
The particular device I am working on is the Behringer UC100 (schematic attached). I have adjusted the bias by adding a trimmer instead of the controller resistor (R3) in the schematic (the trimmer is in the schematic but in reality unsoldered on the board in the factory). With the recent headroom of the element that the bias is applied to (I guess some IC), you cannot achieve that the notes between frets 20-24 on my guitar would not be distorted and the noise floor to stay low at the same time. If you set the input into the pedal low to keep the signal under the headroom limit, after the pedal you need to raise the volume significantly, and the background noise will be audible and disturbing. If you set the input volume for the pedal to avoid the noise become audible later, the signal won't fit between the limits of the headroom. But this is because of those outstanding peaks between the frets 20-24 on my guitar. At the frets above that (0-20), the gain is low enough for the signal to stay under headroom limits. I have another guitar too with more even gain along the neck (Schecter Omen), but even in case of that the very last frets (23-24) distort.

Or, I can swap the transistor as well, because there is space on the board to be able to do mods comfortably. If you can suggest another transistor that offers more headroom at the other specs remaining the same (at the recent setting the chorus effect sounds just perfect, I don't want a swap that alters the sound character of the effect too much): Behringer-UC-100-Schematic.png
 

Attachments

Back
Top