This Week on the Breadboard: The EHX Black Finger Sustainer

Interesting. They probably exist, but I don’t know that I’ve ever heard a fuzz with OTA chips. I have some I’ve been trying to decide what to use them in.
 
The Moog Lab Series L5 amp has 2 OTAs in the preamp. One is a compressor and the other is an OD. The Aphex Aural Exciter II also used an OTA to generate mild distortion. The both do it by feeding signal to the amplifier input and to the gain control (Iabc) input.

I breadboarded the Aural Exciter II and it is very subtle. IMHO, it was not all that useful as a guitar pedal. I disassembled it so that I had a place to build the Black Finger.
 
Last edited:
  • Like
Reactions: gtt
What's the input to the one OTA at R14 doing? Why doesn't that go to the other one?
Good question!
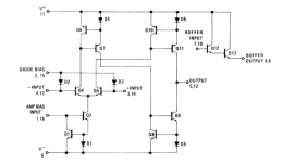
R14 biases the linearizing diodes on U2C. Since U2A's and U2C's inputs are wired in parallel (pin 4 to 13, pin 3 to 14), the two OTAs can share one set of linearizing diodes. If we look inside the OTA, we can see that the linearizing diodes (D2 & D3) are connected to the input pins.

1775342324614.png
 
  • This ROCKS!
Reactions: gtt
Good question!
R14 biases the linearizing diodes on U2C. Since U2A's and U2C's inputs are wired in parallel (pin 4 to 13, pin 3 to 14), the two OTAs can share one set of linearizing diodes. If we look inside the OTA, we can see that the linearizing diodes (D2 & D3) are connected to the input pins.

View attachment 114690
I had to look up what a linearizing diode is, and I'm still not sure I fully understand it though I really appreciate the explanation -- IIUC these diodes are matched with the input transistors of the OTA to cancel out these transistors' non-linearity at low input signal levels? When I looked it up I ran into this discussion which was interesting. Is there a reason you chose LM13700 over the SSI2164, which doesn't appear to need external connection for biasing? (Or is the "MODE" pin of the SSI2164 basically the linearizing diodes?)
 
The LM13700 datasheet explains the linearizing diodes pretty well, so I won't repeat it here. I chose the LM13700 because I was trying to keep the design as close to the original Black Finger as possible. The LM13700 does the job well enough and costs less. The SSI2164 is a very good quad VCA.

As for the linked discussion, I don't believe that the the linearizing diodes are being employed correctly there. I'm using a digital oscilloscope with FFT capability. It can indicate individual harmonics down to 1%. The only distortion product I can see is 2nd harmonic at about 1%. I could trim that out, but I'd need better measuring equipment and 1% is good enough.
 
  • This ROCKS!
Reactions: gtt
Here's the final version. No charge pump. Much better EQ. The Black Finger cuts a lot of the treble when SUSTAIN is turned up. This version maintains the treble content at all SUSTAIN settings. A very transparent compressor. Can handle over 1Vp-p input without saturating.

Goldfinger v1.0.png
 
Last edited:
The peak detection circuit and decay have already been discussed. But would a variable resistor in place of R9 allow for some useful "attack" control?
 
Just follow opamp best practices.
Keep the traces connecting to U1-2 and U1-6 very short.
Use a ground plane.
Position C21 near U1 & U2.

Make sure you have the most recent schematic, I had to update it again just now.
 
The peak detection circuit and decay have already been discussed. But would a variable resistor in place of R9 allow for some useful "attack" control?
I don't know, maybe. Haven't tried it. The thing I like about this circuit is its fast attack. Increasing R21 reduces the compression, so that might be a better place to start.

I ran some sims and they show that R9 has very little influence on the attack speed because Q1 and Q3 have a lot of current gain and will charge C8 & C9 very quickly.
 
Last edited:
Back
Top