Hey folks, so I'm building a 5 way splitter using the JFET buffer boards. But I have a question as to the best way to parallel them. I'll mostly be using it during re-amping but could occasionally plug my guitar straight into it. Secondary question I guess but I have a bunch of 2N5458s. Is this a suitable JFET for the job?
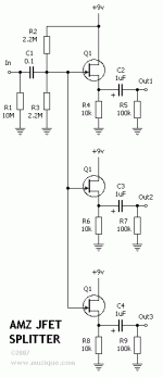
I'm guessing I don't want the signal going through the input impedance resistors 5 times after the split. So should I send it through the input resistors once and then parallel from there? I guess my question is which pin on the JFET board will allow me to insert the signal at the right point similar to this AMZ design.
I'm guessing I don't want the signal going through the input impedance resistors 5 times after the split. So should I send it through the input resistors once and then parallel from there? I guess my question is which pin on the JFET board will allow me to insert the signal at the right point similar to this AMZ design.
